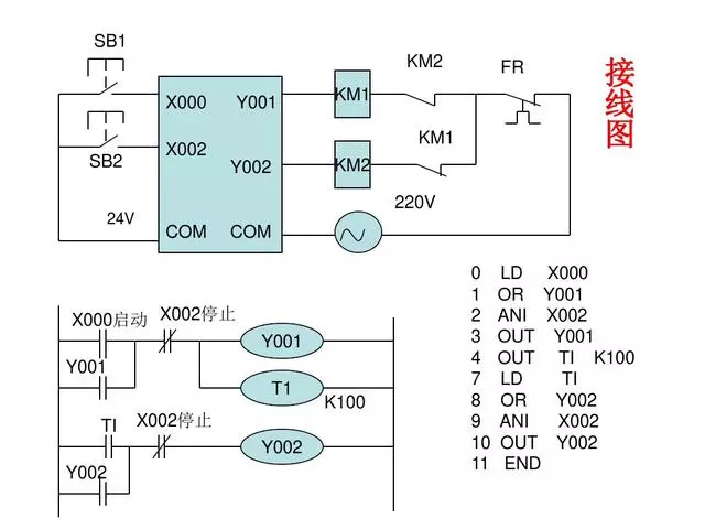
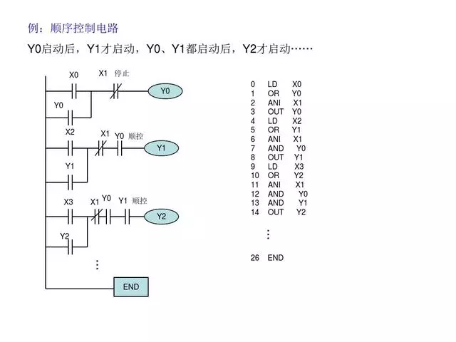
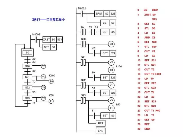
PLC在学习的过程中,除了需要掌握必备的基础理论知识以外,更需要亲身设计电路来实践,刚开始学习PLC编程的时候,可以先从小的电路小的程序入手,由浅入深,先易后难的进行学习,今天我们就重点来看看具体的基础的PLC编程实例:


































文章源于网络,版权归原作者所有,如有侵权请联系删除!


微信号|13615417996
山东凯芮思具备软件与单片机研发、生产的能力、集科研、设计、安装、销售于一体,西门子全系列,三菱全系列,欧姆龙等plc的可编程控制器、电气编程、物联网项目、远程控制、人机界面、工业物联网云平台等自动化产品的生产、销售,为用户提供优质产品与服务